Description
| Model | Passages | Circuits(2A) | Torque | Negative Vacuum | Max. Pressure | Max. Speed |
|---|---|---|---|---|---|---|
| MQR2 | 2 Passages, Port M5 | / | 0.2N.m | -1.5kPa | 1Mpa | 300rpm |
| MQR2-S12 | 2 Passages, Port M5 | 12 Circuits | 0.2N.m | -1.5kPa | 1Mpa | 300rpm |
| MQR2-S24 | 2 Passages, Port M5 | 24 Circuits | 0.2N.m | -1.5kPa | 1Mpa | 300rpm |
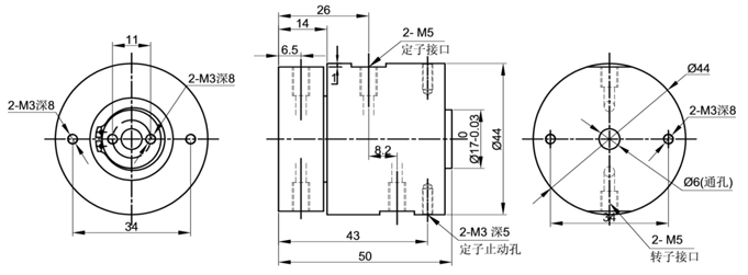
MQR2 Dimension Drawing 2 Passages M5 Port

MQR2-12S Dimension Drawing 2 Passages M5 Port +12 Circuits(2A)

MQR2-24S Dimension Drawing 2 Passages M5 Port +24 Circuits(2A)





